콘크리트구조설계기준에서는·조립용 철근(erection bar)을 '철근을 조립할 때 철근의 위치를 확보하기 위하여 사용하는 보조철근'이라고 규정하고 있습니다. 즉 구조적으로 필요해서 배근하는 것이 아니라 철근을 조립하기 위해 불가피하게 들어가는 철근을 말합니다. 구조계산에 의해 부재에 가해지는 하중을 부담하는 주철근과는 달리 구조적인 역할을 하지 않습니다.
그런데 이 조립용 철근은 생각보다는 물량이 많이 들어갑니다. 따라서 철근 수량을 산출할 때 고려해야만 합니다. 일반적으로 조립용 철근은 구조도면에 명기되지 않는 것이 보통이며, 철근 배근시공도상에도 명기되지 않는 경우도 있습니다. 여기서는 부재별로 어떤 조립용 철근이 들어가는지 살표보겠습니다.
조립용 철근은 사용되는 부위에 따라 기초부재의 고임철근(Chair bar) 통상 기둥다우얼(Dowel) 철근에 사용되는 띠철근과 가새근, 벽체다우얼 철근에 사용되는 수평고정근과 가새근 등이 있다.
기초에서는 우마근이라고 하는 고임철근(Chair bar; 체어 바)이 필요합니다. 고임철근은 매트(MAT) 기초에서 상부철근을 지지하고 위치를 고정하기 위하여 사용됩니다.

고임철근의 형상은 상부에 철근을 받칠 수 있도록 일정한 폭을 가지고, 하부에는 자립할 수 있도록 일정한 길이의 다리로 서로 엇갈리게 가공합니다.
미국의 기준(CRSI(2003))에서는 매트 기초의 두께가 600~1200 정도일 때 다음 그림과 같은 형태(standee)로 가공하고, 고임철근의 배치 간격을 기초 상부철근의 무게에 따라 900~1500 정도로 배치하도록 기술하고 있습니다.

고임철근의 형태와 고임방법은 지반의 지지력, 상부철근의 크기, 길이, 간격에 따라 조립업체가 적절하게 가공하는 편입니다.
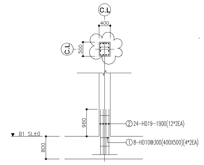
기둥에서는 다우얼 철근을 세울 때 조립용 철근이 필요합니다. 아래 사진처럼 하부에 90°갈고리를 두어 하부 기초 철근에 고정시키는 것 만으로는 콘크리트의 타설 압력을 견디기 어렵기 때문에, 지게의 받침대처럼 경사지게 세운 조립용 철근과, 2개 이상의 띠철근으로 고정시키는 방법이 많이 사용됩니다.

위 사진을 보면 기둥 다우얼철근이 자립할 수 있도록 가새근(대각선 경사방향)이 2개 설치된 것을 볼 수 있습니다. 통상 2∼4개 정도가 사용됩니다. 가새근은 잘 휘지 않는 D13을 사용하며, 기초의 두께가 1500이하일 경우 길이 2000으로(8m 길이의 정척철근을 네 번 절단), 1500 이상일 경우 길이 2670(8m 길이의 정척철근을 세 번 절단)을 사용합니다.
아래 그림은 기둥 다우얼 철근의 배근시공도 사례를 나타낸 것인데, 통상 조립용으로 사용되는 띠철근은 기초상부면 위쪽에 1개, 기초 내부면에는 통상 3개 정도(기초 저면, 상부, 중간 각 1개 정도)를 배치하는 것을 알 수 있습니다. 물론 기초의 높이에 따라 설치되는 띠철근의 개수는 달라질 수 있습니다.

■ 구조도면에서 철근을 표기하는 방법
■ 구조 도면 약어 정리표
매트기초와 벽체의 접합부에서는 기둥 다우얼 철근과 같이 벽체 다우얼철근을 배근합니다. 이 다우얼 철근의 위치를 확보하고 콘크리트를 타설하는 동안 고정시키기 위해 수평근(일명 단도리용)과 폭고정근을 배근합니다.

다음 그림은 벽체 다우얼철근의 배근시공도의 일부를 나타낸 것인데, 이때 사용하는 수평근은 D13의 규격을 사용하여 다우얼철근의 가로방향으로 벽체를 따라 연속적으로 배근됩니다.
수평근의 개수는 매트기초의 윗면에 1개를 설치하고 매트기초 내부에 필요에 따라 2개 이상을 사용합니다. 수평근은 내외부 양쪽면에 모두 배근되기 때문에 벽체의 길이가 길 경우 수평근의 개수에 따라 물량에 많은 차이가 발생합니다.

또한 다우얼철근의 상호간의 간격을 확보하기 위하여 폭고정근을 사용하는데, 통상 1500 간격으로 일반층에서 사용하는 동일한 형태로 배근됩니다.
또한 일반층의 벽체를 조립할 때 수직근을 먼저 세우게 되는데 이때 수직근 단독으로 자립할 수 없기 때문에 수직근을 잡아주기 위해서 가새근(일명 기리바리)을 사용합니다.

일반적으로 철근가공조립도상에서는 가새근을 별도로 명기하지 않으며, 벽체 수직근의 개수에 1~2개 정도를 여유를 줍니다. 따라서 가새근은 여유 수직근을 사용하여 배근됩니다. 사실 기준층 벽체의 전체 철근량에 비해 가새근의 개수는 많지 않습니다.
■ 벽체 배근 일반
보에서 상부 2단근과 하부 2단근의 개수가 3개 이상일 때는 스터럽(Stirrup)에 고정시킬 수 없기 때문에 위치를 확보하기 위하여 보조적인 철근이 필요합니다. 구조설계기준에서는 2단근의 철근간격을 최소 25㎜이상으로 규정하고 있기 때문에 미국 CRSI의 사례에서는 아래 그림과 같이 D25를 Bar Separator로 사용하는 방식을 제시하고 있습니다.

보통 하부 2단근을 지지하기 위해 D25철근을 사용하는 경우가 많습니다. 상부 2단근이 3~4개 정도로 개수가 많지 않은 경우에는 폐쇄형 스터럽 상부에 조립하는 캡타이(CAP-Tie)를 받침대로 활용하는 경우도 있습니다.
그러나 상부 2단근의 개수가 많은 경우에는 아래 그림과 같이 보조 스터럽을 가공하여 설치하며, 하부 2단근의 경우에도 동일한 방식으로 가공하여 배근하는 방식을 사용합니다. 2단근을 지지하기 위해 설치하는 보조 스터럽의 간격은 통상 2m 당 1개씩 설치하며 길이에 따라 개수가 늘어나게 됩니다.

| 최소 철근비/ 수축·온도철근/ 슬래브 배근 (0) | 2023.06.19 |
|---|---|
| 계단 배근 (3) | 2023.05.05 |
| 원형기둥과 나선철근 배근 (1) | 2022.03.31 |
| 철근 가공길이의 단순화 (0) | 2022.02.10 |
| 기둥 철근의 이음 위치 (3) | 2021.04.17 |