슬래브는 여러 형태가 있는데 여기서는 일반적으로 많이 사용되는 경우를 살펴보겠습니다. 즉 4변이 보로 지지되는 철근콘크리트 슬래브에 대해 살펴보겠습니다.
▶ 본문의 내용은 유튜브로 볼 수 있습니다.
슬래브는 '슬래브 구조해석의 원리'에서 볼 수 있는 것처럼 장변방향 순경간의 길이(Ly)와 단변방향 순경간의 길이(Lx)의 비에 따라 1방향 슬래브와 2방향 슬래브로 구분할 수 있습니다.
▶ 슬래브의 종류
▶ 슬래브 구조해석의 원리
변장비(λ=Ly/Lx) 즉 단변의 순경간 길이(Lx)에 대한 장변 순경간길이(Ly)의 비가 2배 이상이 되면 하중 대부분이 단변 방향으로만 전달(하중의 분담비율이 94% 이상)되기 때문에 1방향 슬래브로 구분합니다.
1방향 슬래브로 설계되어 있다면 하중이 대부분 단변방향으로 전달되기 때문에 단변방향으로 주철근을 배치하고, 장변방향으로는 수축ㆍ온도철근 정도의 최소철근량 정도만을 배치하게 됩니다.
이에 비해 2방향 슬래브는 단변과 장변 방향으로 서로 하중을 분담하게 됩니다. 그렇더라도 단변방향으로 더 많은 하중이 전달되기 때문에 단변 방향이 주근방향이 됩니다.
구조도면에서는 슬래브 일람표를 보통 다음과 같이 표현합니다.

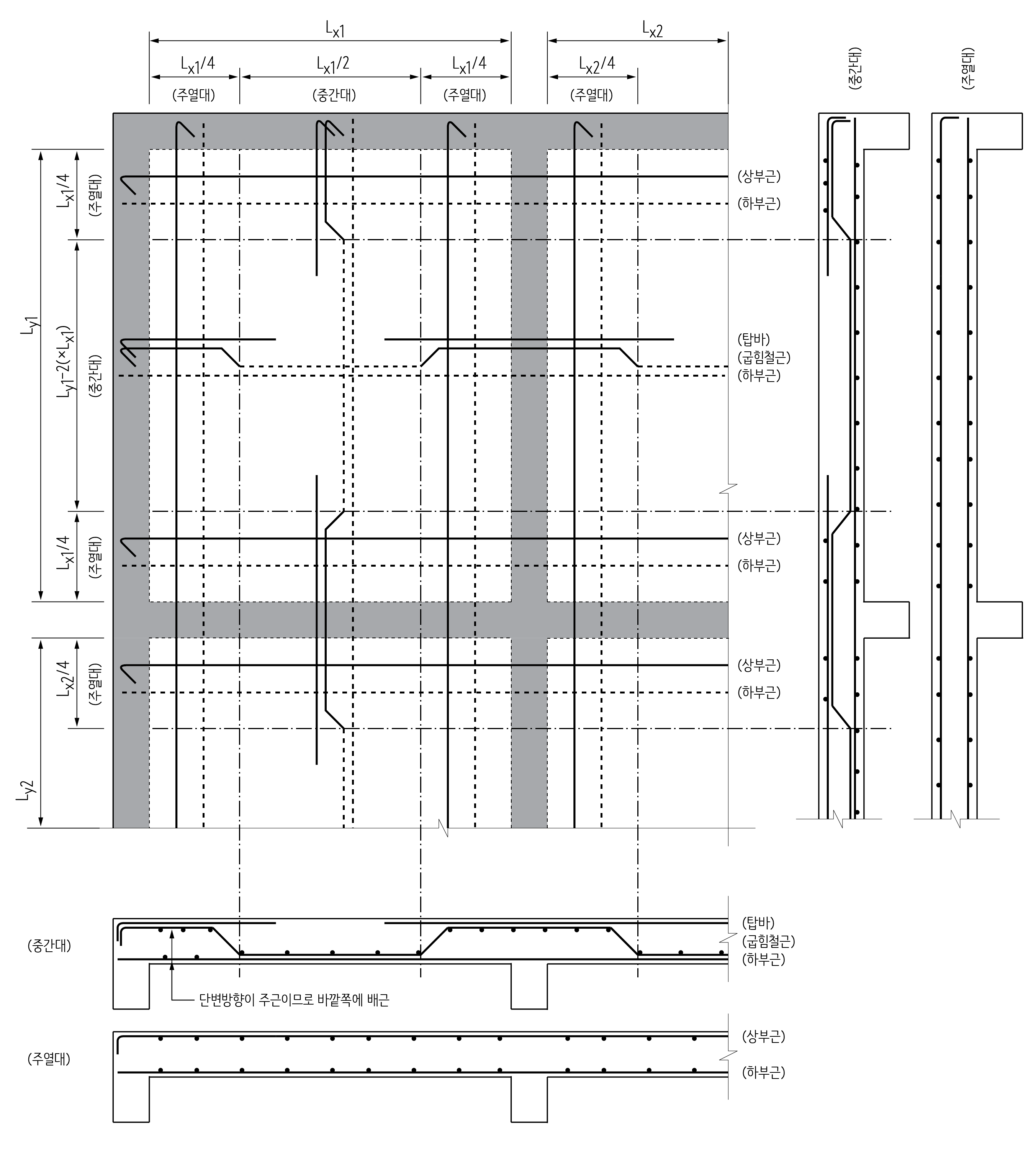
대표적인 배근 유형을 제시한 후 철근 유형별로 번호를 붙여서 상세 내용을 표로 제시합니다. 보통 단변방향을 X, 장변방향을 Y로 표시합니다. 가장 일반적인 유형 A(TYPE A)을 보면 단변방향으로 가로지르는 철근(X)을 보면 중간대을 가로지르는 철근이 세 종류(X1, X2, X3), 주열대 구간을 지나는 철근이 두 종류(X4, X5)가 제시됩니다.
슬래브는 단변방향으로 힘이 많이 전달되기 때문에 단변방향 철근이 주근이 되고, 제일 먼저 배치합니다. 그리고 중간대 지나는 하부근(X3)가 가장 중요한 역할을 합니다.
이 철근 배근 형태를 자세히 나타내면 다음과 같습니다.

우선 주열대(Column strip) 구간과 중간대(Middle strip) 구간을 나누어야 합니다. 슬래브는 보통 강성이 큰 보가 둘러싸기 때문에 가운데 부분과 보와 인접한 부분의 거동이 다르게 나타납니다. 보와 가까운 부분은 두꺼운 보가 구속하기 때문에 변형이 작고, 가운데 부분은 밑으로 오목하게 처지게 됩니다.
주열대 구간은 단변 방향의 경간 길이(Lx)를 기준으로 계산하는데 주열대의 폭은 Lx/4 입니다. 주의할 점은 장변 방향 주열대 폭입니다. 장변 방향 주열대의 폭을 계산할 때 Ly/4를 적용하지 않고 단변방향의 폭을 기준으로 Lx/4를 적용합니다.
1방향 슬래브의 경우에는 Lx/2를 많이 적용합니다. 구조설계자에 따라 주열대와 중간대를 구분하는 영역을 다르게 해석하는 경우가 있습니다. 그래서 Lx/2를 많이 적용하는데, Lx/4를 적용하는 도면도 있기때문에 꼭 일반주기사항을 확인해야 합니다.
이제 단변방향 철근을 어떻게 배치하는지 살펴보겠습니다. 장변방향은 방향만 다르고 배치 방법은 같습니다.
하부 주근을 배치하는 방법은 여러 가지 있지만 일반적으로 중간대 구간에 고르게 배치하는 방법을 많이 씁니다.

슬래브 철근은 보에 정착해야 합니다. 이때 구조설계도면에서 슬래브의 지지 조건이 어떻게 되어있느냐에 따라 정착하는 방법이 달라질 수 있지만 보통 고정단(Fixed)으로 되어있다고 보면, 상부 철근은 보에 인장정착이 되어야 하고 하부철근은 압축으로 보고 정착하면 됩니다.
그런데 벽식구조 아파트처럼 슬래브철근을 벽체에 정착해야 하는 경우, 압축정착길이보다 벽체 두께가 얇아서 압축정착길이를 확보하지 못하는 경우가 있습니다. 그래서 대부분의 경우 슬래브 철근은 다음과 같이 일반주기사항에 표기됩니다.

위 도면을 보면 슬래브 하부철근의 정착길이는 150으로 되어 있습니다. 상부철근은 표준갈고리를 갖는 인장 이형철근이 정착길이로 정착을 하고, 하부근은 직선으로 150만큼만 정착하면 됩니다.
▶ [이음과 정착] - 정착의 개념
▶ [이음과 정착] - 인장 이형철근의 정착길이
▶ [이음과 정착] - 표준갈고리를 갖는 이형철근의 정착길이
▶ [이음과 정착] - 압축을 받는 이형철근의 정착길이
벤트근은 하부근 사이에 놓입니다. 철근을 구부려서 사용하기 때문에 벤트근이라고 합니다. 슬래브 철근은 보통 D10이나 D13 같은 상대적으로 가는 철근을 쓰기 때문에 현장에서 쉽게 구부릴 수 있습니다. 다음 동영상을 보시기 바랍니다.

중간대 구간을 지날 때는 하부근으로, 주열대 구간을 지날 때는 상부근 역할을 합니다. 따라서 보에 정착할 때는 보에 인장정착이 되어야 합니다.
굽힘철근을 구부리는 위치는 도면에 따라 차이가 있습니다. 일반적으로 많이 적용되는 것은 아래 그림처럼 굽힘 부분의 가운데부분이 주열대와 중간대를 구분하는 선과 겹치도록 하는 것입니다.

탑바는 명칭이 의미하는 것처럼 상부에 배치하는 철근으로 주열대 구간에서 보면 벤트근 사이에 놓이게 됩니다. 따라서 앞에서 배치했던 하부근(X3) 위쪽에 위치하게 됩니다.

탑바의 배근기준은 다음과 같습니다.

탑바는 주열대와 중간대를 나누는 기준선을 지나 더 내밀어서 정착을 해야 합니다. 이때 슬래브의 유효깊와 12db를 비교해서 큰 값만큼 내밀어서 정착해야 합니다. D10 철근을 사용한다면
12db = 120이 됩니다.
만일 슬래브 두께가 150이라면 유효깊이는
150- 20(피복두께) - 5(철근의 반지름) = 125가 됩니다.
따라서 D10 철근을 사용한다면 슬래브 두께가 150을 넘게 된다면 항상 슬래브의 유효깊이만큼 더 내밀어야만 합니다.
이렇게 배치하고 보면 단변방향 중간대를 가로지르는 철근들의 실제 간격은 200이 아니라 100이 됩니다. 중간대 지점에서 보면 하부 주근(X3) 사이에 굽힘철근(X2)가 놓이기 때문에 각각의 간격 200을 1/2로 나눈 100 만큼 철근이 배치된 것으로 볼 수 있습니다.
주열대 구간의 철근은 상부철근과 하부철근을 각각 배치하는 것이기 때문에 주어진 간격에 맞게 배치하면 됩니다. 다만 상부근은 인장 정착 방식으로 하부근은 압축 정착 방식으로 정착하면 됩니다.
▶ [분류 전체보기] - 철근 지식 저장소 전체 내용
| 벽체 배근 일반 (17) | 2021.04.17 |
|---|---|
| 슬래브 개구부 보강 (8) | 2021.04.17 |
| 철근상세도 - 보 (14) | 2021.02.24 |
| 상하 기둥 단면의 크기가 다를 때 - 옵셋굽힘철근 (2) | 2021.02.23 |
| 보 배근 2 - 하부 주근 (6) | 2021.02.18 |